
|
La Bascule JK Maître/Esclave |
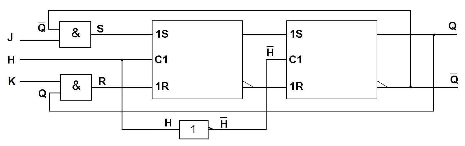
La Bascule J K Maître/Esclave
(JK Master-Slave flip-flop)

|
Symbole électrique (norme IEEE / IEC) |
Table de fonctionnement |
Graphe d' évolution |
|
|
|
|
Pour cette bascule aussi, il faut considérer l'état de J et K (à t-) avant le front actif (↓H) pour déterminer l'état de la sortie Q (à t+) juste après le front descendant de H.
Exemple d'une structure SN74111.PDF
|
|
le schéma structurel version Proteus 7.xx JK_MS_NAND.DSN
le schéma structurel version Proteus 8.xx JK_MS_NAND.pdsprj
Simulation
Exemple de composant (74xx111) SN74111.PDF

Créé avec HelpNDoc Personal Edition: Générateur complet de livres électroniques ePub



