|
Registres |
Un registre est un emplacement de mémoire interne à un processeur. Les registres se situent au sommet de la hiérarchie mémoire : il s'agit de la mémoire la plus rapide d'un ordinateur, mais dont le coût de fabrication est le plus élevé, car la place dans un microprocesseur est limitée.
Dans le domaine de l'électronique numérique, un registre à décalage est un registre, c'est-à-dire un ensemble de bascules synchrones (avec le même rythme), dont les bascules sont reliées une à une, à l'exception de deux bascules qui ne sont pas forcément reliées. À chaque cycle d'horloge, le nombre représenté par ces bascules est mis à jour. Le concept de décalage permet d'insérer une donnée dans le registre, ou la lire, bit par bit en série.
Un registre permet de stocker une donnée élémentaire, ou une adresse mémoire, sur laquelle l'unité centrale peut effectuer des calculs ou des traitements.
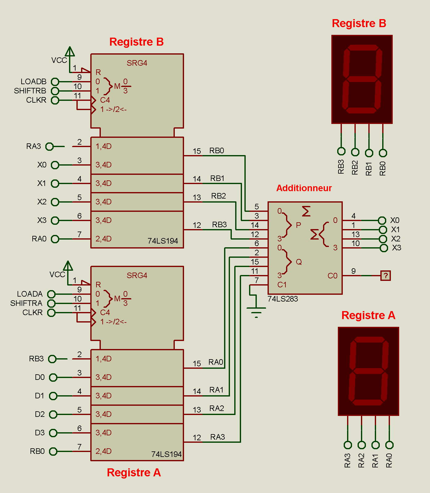
Pour notre processeur nous utiliserons des Registres à décalages 4bits de type 74LS194.
|
IEC/IEEE logic symbol
|
|
|
|
|
Pour l'instruction LDA #x qui réalise un chargement parallèle (parallel load) synchrone du registre, nous devons relier le bus de donnée (D3 .. D0) aux entrées Din (Broches 6,5,4 et3) du Registre A et fixer un niveau logique Haut sur les entrées que nous nommerons LoadA et ShiftRA (broche 9 et 10) suivi d'un front montant de ClkR.
|
Câblage du registre A |
Simulation sous Proteus 7.10 fichier: Test-74LS194.DSN
|
Pour l'instruction EXchanGe (A ⇔ B), qui sera réalisée à l'aide de 4 décalages circulaires à gauche successifs, il faudra relié RB0 à l'entrée décalage gauche "E←" du registre A (broche 7) et fixer LoadA au niveau Bas et ShiftRA au niveau Haut. II en sera de même pour le registre B, RA0 connectée à l'entrée décalage gauche "E←" du registre B.
Pour l'instruction ADD nous devons relier les sorties de l’additionneur 74LS283 (nommées X3 .. X0) aux entrées Din (Broches 6,5,4 et3) du Registre B et fixer un niveau logique Haut sur les entrées que nous nommerons LoadB et ShiftRB (broche 9 et 10) suivi d'un front montant de ClkR.
|
|
|
|
Créé avec HelpNDoc Personal Edition: Créer des documents d'aide facilement






