Activité 6
Le Redresseur commandé
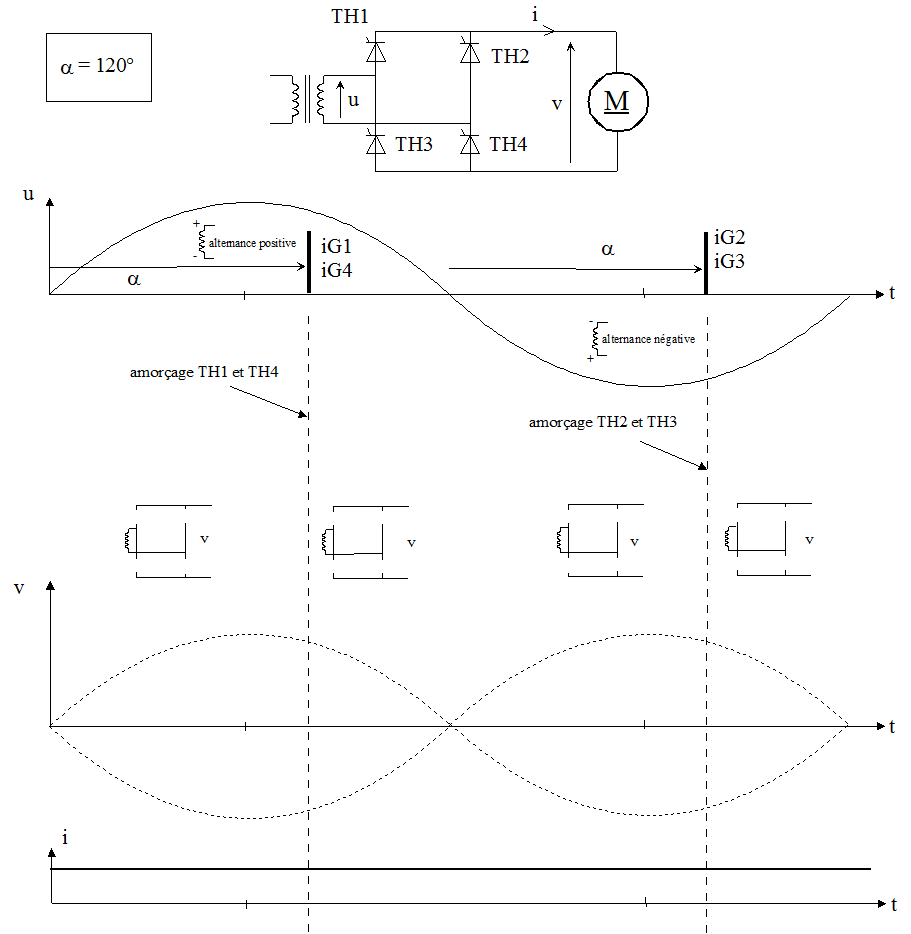
Complétez le graphique si le retard à l'amorçage α des thyristors est 120° :
- complétez chaque pont à thyristors ( voir l'exemple ci-dessous ) :

- dessinez l'allure de v en fonction du temps en rouge
- quelle est le signe de la valeur moyenne de v quand α = 120° ?

Suite du cours L'onduleur : ici
Créé avec HelpNDoc Personal Edition: Éditeur de documentation CHM facile