Activité 5
Le hacheur 4 Q.

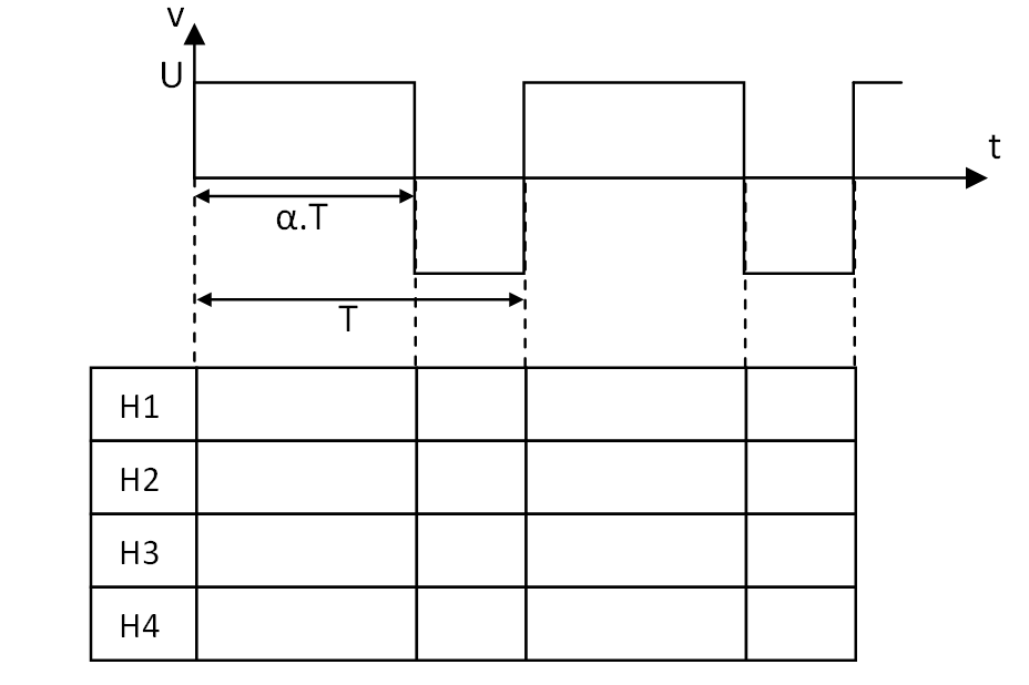
Déterminez le séquencement des hacheurs H1 à H4 pour obtenir l'allure de v :

Complétez le tableau avec des 1 ou des 0 ( 1 quand le hacheur est fermé, 0 quand le hacheur est ouvert).
Suite du cours Le redressement commandé : ici
Créé avec HelpNDoc Personal Edition: Générateur de documentation d'aide HTML gratuit