Le Redresseur commandé
Le Redresseur commandé
Rappel : Les redresseurs convertissent une tension alternative en une tension continue variable

Exemple : variateur de vitesse monophasé pour moteur à courant continu Leroy Somer DMV201

Schéma de principe :

Le redressement commandé est obtenu avec des thyristors :

Le thyristor est une diode commandable. Il suffit de commander la gâchette G (faire circuler un courant iG )
pour que le thyristor devienne passant.
Dés que le thyristor est amorcé, la gâchette n’a plus aucune action sur lui.
On peut faire l’analogie avec la gâchette d’un revolver. Quand on a appuyé sur la gâchette, la balle part
et rien ne peut plus l’arrêter (le courant i circule et ne peut pas être coupé par la gâchette).

Le retard à l'amorçage des thyristors permet de régler la valeur moyenne de la tension aux bornes de la charge
et donc la vitesse d'un moteur à courant continu par exemple.
Le retard à l'amorçage α est réglable entre 0 et T/2 ( 0 et 180° ), T étant la période de la tension u de la source.
(Souvent 20 ms si c'est la fréquence 50 Hz du réseau EDF).

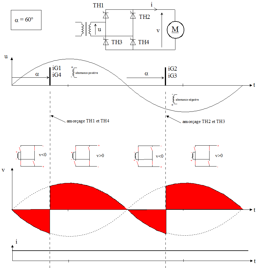
Avec un retard à l'amorçage des thyristors de 60°, la valeur moyenne de v est positive car
il y a plus de surface rouge au dessus de l'axe des temps que de surface en dessous périodiquement.
Allez à l'activité 6 : ici
Créé avec HelpNDoc Personal Edition: Créer des aides HTML, DOC, PDF et des manuels depuis une même source