le Gradateur à train d'ondes
Le gradateur à train d'ondes.
Quand l'inertie (le temps de réaction de la charge) est lent, on utilise le gradateur à train d'ondes.
Exemple : four électrique industriel

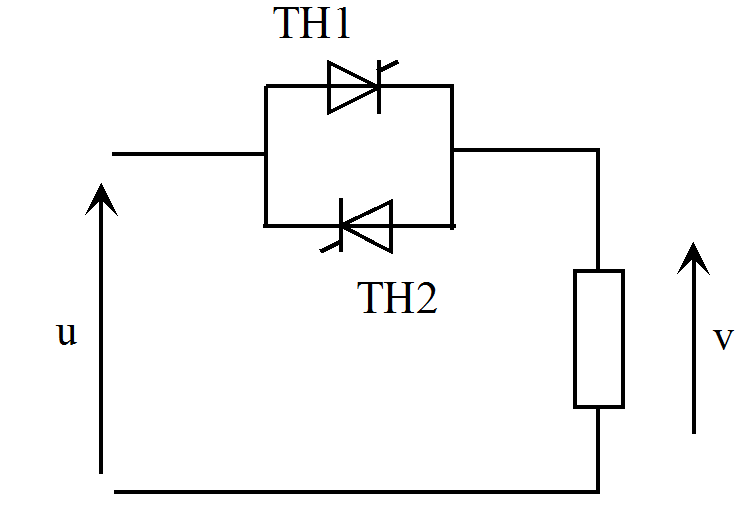
Schéma de principe : identique à l'angle de phase

Th1 et Th2 sont équivalent à un interrupteur K.

La commande de K permet de laisser passer un certain nombres d'alternances complètes
de la tension u(t) dans la charge pendant tc (temps de conduction).

La mise sous tension du four étant cyclique, en réglant le temps tc
on règle la puissance fournie à la résistance électrique
donc la température dans l'enceinte du four.
La puissance moyenne fournie à la charge peut se calculer :

tc : temps de conduction en secondes
T : période du cycle en secondes
Attention : ne pas confondre avec T= 20ms qui est la période
de la tension du réseau 50 Hz.
Allez à l'activité 9 : ici
Créé avec HelpNDoc Personal Edition: Produire des livres Kindle gratuitement